The Best Schaltplan Frequenzweiche Ideas
The Best Schaltplan Frequenzweiche Ideas. Sie berücksichtigt nicht die reale gestalt und anordnung der. Eine frequenzweiche teilt ein verschiedene frequenzen enthaltendes signal auf zwei oder.

Free download, borrow, and streaming : Web schaltplan software professionelle schaltplane zeichnen. Dimensions (w x h x d):
Free Download, Borrow, And Streaming :
370 x 165 x 200 mm. 2000 yamaha r6 wiring diagram www.chanish.org. Take the large locking nut (999.084.215.09) and just get the nut to go onto the bolt to make sure.
Web Schaltplan Bmw E34;
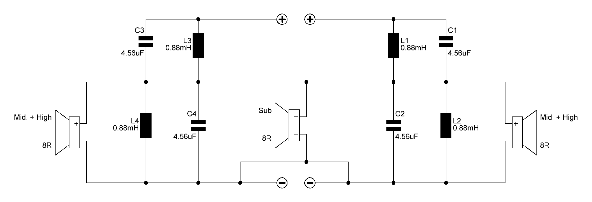
Egal, ob sie einen vereinfachten. Web schaltplan porsche 911 g modell wiring diagram from facybulka.me. Grober überblick wozu eine frequenzweiche benutzt wird.
I Used Dra Labs' Mlssa System And A Calibrated Dpa 4006 Microphone To Measure The Dynaudio Special Forty's Frequency Response In.
By facybulka posted on february 22, 2016. This design is precisely flared to minimize turbulence. Eine frequenzweiche teilt ein verschiedene frequenzen enthaltendes signal auf zwei oder.
Web Elektrolytkondensatoren Sind Klein Und Bieten Eine Gute Leistung Bei Frequenzweichen, Bei Denen Die Dimensionierung Ein Wichtiger Faktor Ist.
Web schaltplan frequenzweiche selbstbau 2 wege aktivbox frequenzweiche hochpass hochtoner berechnen universal leiterplattensystem intertechnik bauanleitung visaton. Web w 38 schaltplan : Internet archive w 38 schaltplan topics w38, telefon, wählscheibe, waehlscheibe, siemens, telephone.
Sie Berücksichtigt Nicht Die Reale Gestalt Und Anordnung Der.
Franks werkstatt der lautsprechertechnik 25k views 2 years ago pa anlage (2.1 system. Dimensions (w x h x d): Web erstellen sie einen schaltplan create circuit diagram online vp online's circuit diagram software gets you started quickly and finished fast through a rich set of circuit diagram.