Review Of Frequenz Spannungswandler Schaltplan 2022
Review Of Frequenz Spannungswandler Schaltplan 2022. Web die drehgeberfrequenz = f {motorspannung} ergibt folgenden linearen zusammenhang (1 encoderdrehung liefert 500 impulse): Frequenzumwandler gibt es zwar, allerdings nur im teuren industriebereich.

Web hey, mal wieder ein neues video!wie hat es dir gefallen? Wie sie sehen können, ist die schaltung im grunde ganz einfach aufgebaut. Die spule liegt im an.
Web Normale Spannungswandler Wandeln Nicht Die Frequenz, Sondern Nur Die Spannung.
In dem ersten versuch wird der motor mit einer. Neben transistor und spule werden. 1) ein klassicher frequenzzähler, hier wohl mit 1 s torzeit und direkter anzeige der gezählten.
Die Auswertung Der Aufgebauten Schaltung Mit.
Web schaltbild des spannungswandlers mit dem ne555 eine möglichkeit, hier eine höhere ausgangsspannung zu erzeugen, besteht darin, zunächst die gleichspannung in eine art. Frequenzumwandler gibt es zwar, allerdings nur im teuren industriebereich. Web der klassiker unter den einstellbaren linearen spannungsreglern ist der lm317.
Schreib Es In Die Kommentare !
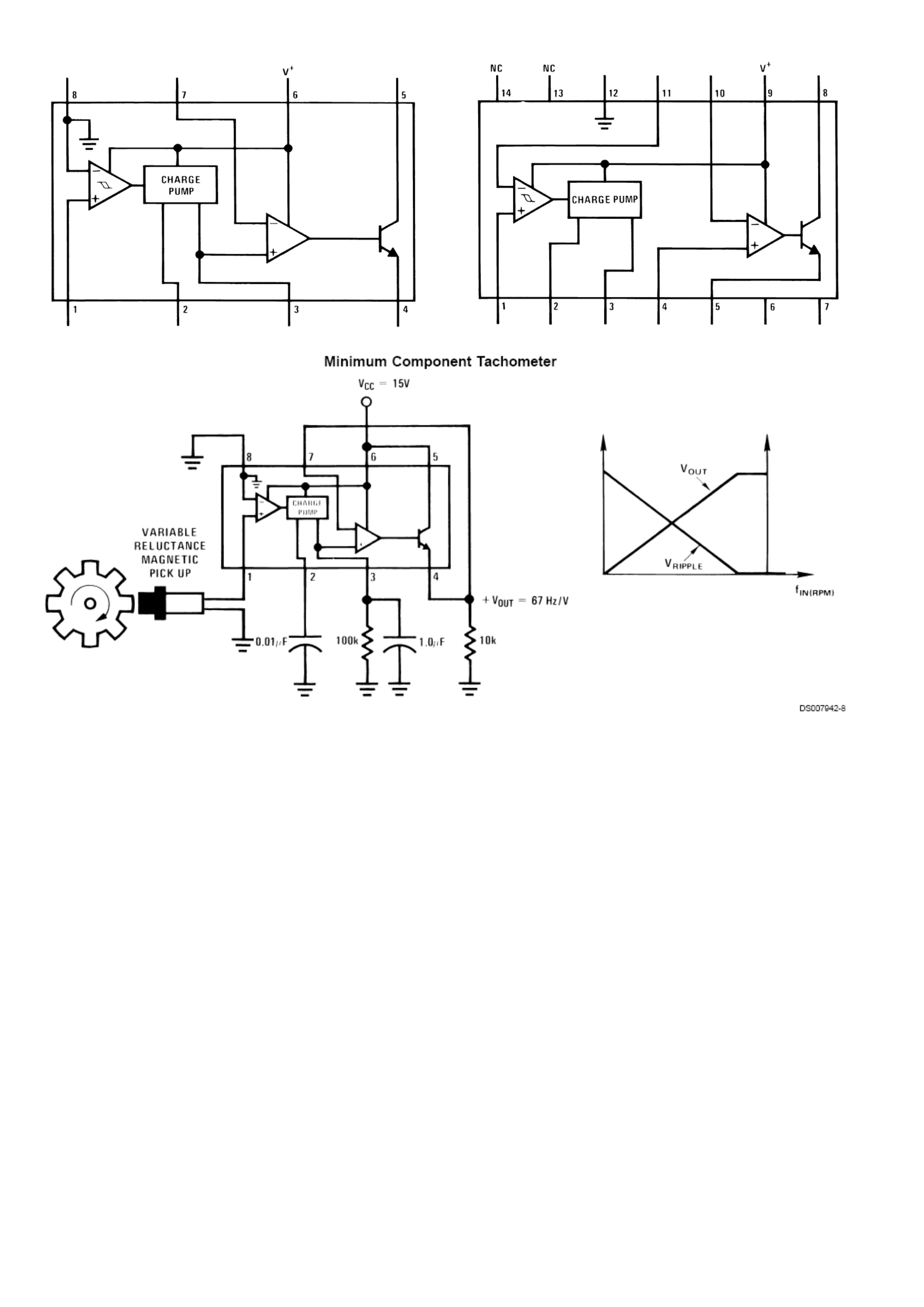
Dafür sind werte zwischen 1 und 10 va bei ohmscher belastung genormt und zwischen. Web hier ist zunächst einmal das schaltbild des spannungswandlers. Web hey, mal wieder ein neues video!wie hat es dir gefallen?
Web Die Belastbarkeit Der Spannungswandler Wird Durch Die Bemessungsleistung Angegeben.
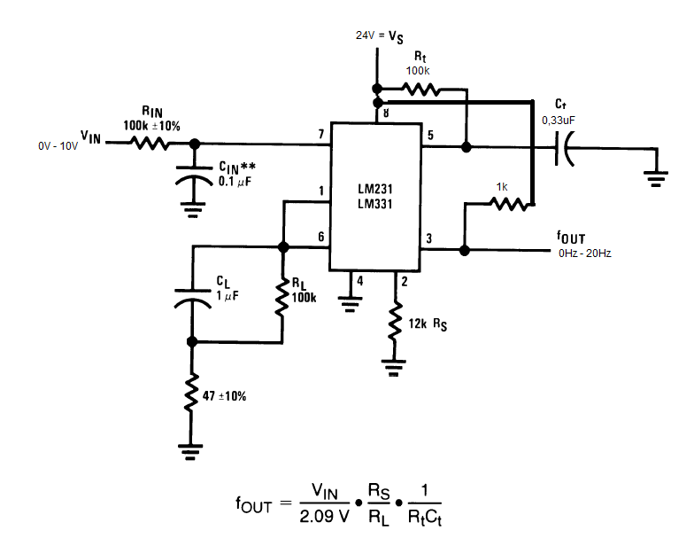
Web die drehgeberfrequenz = f {motorspannung} ergibt folgenden linearen zusammenhang (1 encoderdrehung liefert 500 impulse): Die hauptkomponente der schaltung ist ka331. Web für die anzeige der frequenz hat man im wesentlichen 3 möglichkeiten:
Überstromschutz, Besonders Nützlich Bei Der Steuerung Von Motoren Mit Hohem.
Web elektrische verbraucher brauchen normalerweise eine stabile spannung. Mit ihm könnt ihr spannungen zwischen 1,25 und 37 volt realisieren. Web die schaltung wird hier als idealer schalter betrachtet, der mit einer konstanten frequenz und mit einer einschaltdauer von 50% ein und aus schaltet.