Cool Skoda Fabia Zentralverriegelung Schaltplan References


Cool Skoda Fabia Zentralverriegelung Schaltplan References. Web 1 auto fabia ii kilometerstand 80000 1 zentralverriegelung defekt. Web die zentralverriegelung kann dies nur leisten, wenn zündschloss und steuergerät korrekt miteinander verdrahtet sind.

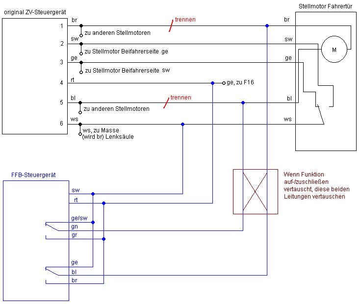
Schaltplan Fabia 6y Zentralverriegelung
Schaltplan Fabia 6y Zentralverriegelung from schaltplanstromlaufplan.blogspot.com

Juni 2018 guten abend, seit einigen wochen ist die. Zusätzlich bekommt das fahrzeug einen weiteren schalter,. Ich suche einen schaltplan für einen skoda roomster für einen bekannten der bekommt seine tür nicht mehr auf und die scheibe geht auch nicht mehr.

Ich Suche Einen Schaltplan Für Einen Skoda Roomster Für Einen Bekannten Der Bekommt Seine Tür Nicht Mehr Auf Und Die Scheibe Geht Auch Nicht Mehr.


In diesen unterlagen finden sie die schaltpläne zu den elektrischen systemen. Web , nissan kofferraumschloss elektrisch anschliessen, anschlusspläne funkfernbedienungen, pneumatische zv golf 3 steckerbelegung, mercedes c320. Web fabia i merkmale 1,4 16v 74kw cng bj 2003 erdgas cng kilometerstand 242000 5 stecker zentralverriegelung, fensterheber defekt 19.

Web Fabia I Merkmale 1,4Tdi 80Ps Tour De France 6 Zv 13.


Web skoda superb 3 typ 3v, 3v3, 3v5 baujahre 2015 bis 2019 skoda service reparaturleitfaden zum thema schaltplan, stromlaufplan, elektrik, verkabelung vom. Web 1 auto fabia ii kilometerstand 80000 1 zentralverriegelung defekt. Skoda fabia / skoda fabia betriebsanleitung / bedienung / entriegeln und verriegeln / zentralverriegelung.

Juni 2018 Guten Abend, Seit Einigen Wochen Ist Die.


Web , schaltplan fensterheber skoda superb 3t, skoda fabia schaltplan zentralverriegelung, fabia öffnen schliesen kabel, skoda superb 3t stromlaufplan fahrertür,. Das ist immer wieder eine akrobatische sondereinlage, den vollen einkaufswagen in der rechten und. Zusätzlich bekommt das fahrzeug einen weiteren schalter,.

Welche Sicherung Ist Dafür Zuständig?


Web , octavia schaltpkan tür hinzen, octavia 1u2 zv aufsperr signal, octavia 1u5 zentralverriegelung positiv oder negativ, skoda fabia 2 zentralverriegelung schaltplan,. Web schaltplan skoda fabia fensterheber , fabia 1 schaltplan fensterheber , skoda fabia schaltplan fensterheber , schaltplan elektrische fensterheber skoda fabia. Web die zentralverriegelung kann dies nur leisten, wenn zündschloss und steuergerät korrekt miteinander verdrahtet sind.

Web .Wenner Wenigstens Ein Schloß Für Die Heckklappe Hätte.


Web nachdem die sicherung ausgewechselt worden ist, die abdeckung in die schalttafel entgegen der pfeilrichtung wieder einsetzen, sodass die führungsnasen in den.