Cool Schaltplan Lötstation 2022
Cool Schaltplan Lötstation 2022. Wolf garten sv 4 schaltplan 6155000 serie e. Web gibt es für diese lötstation einen schaltplan?

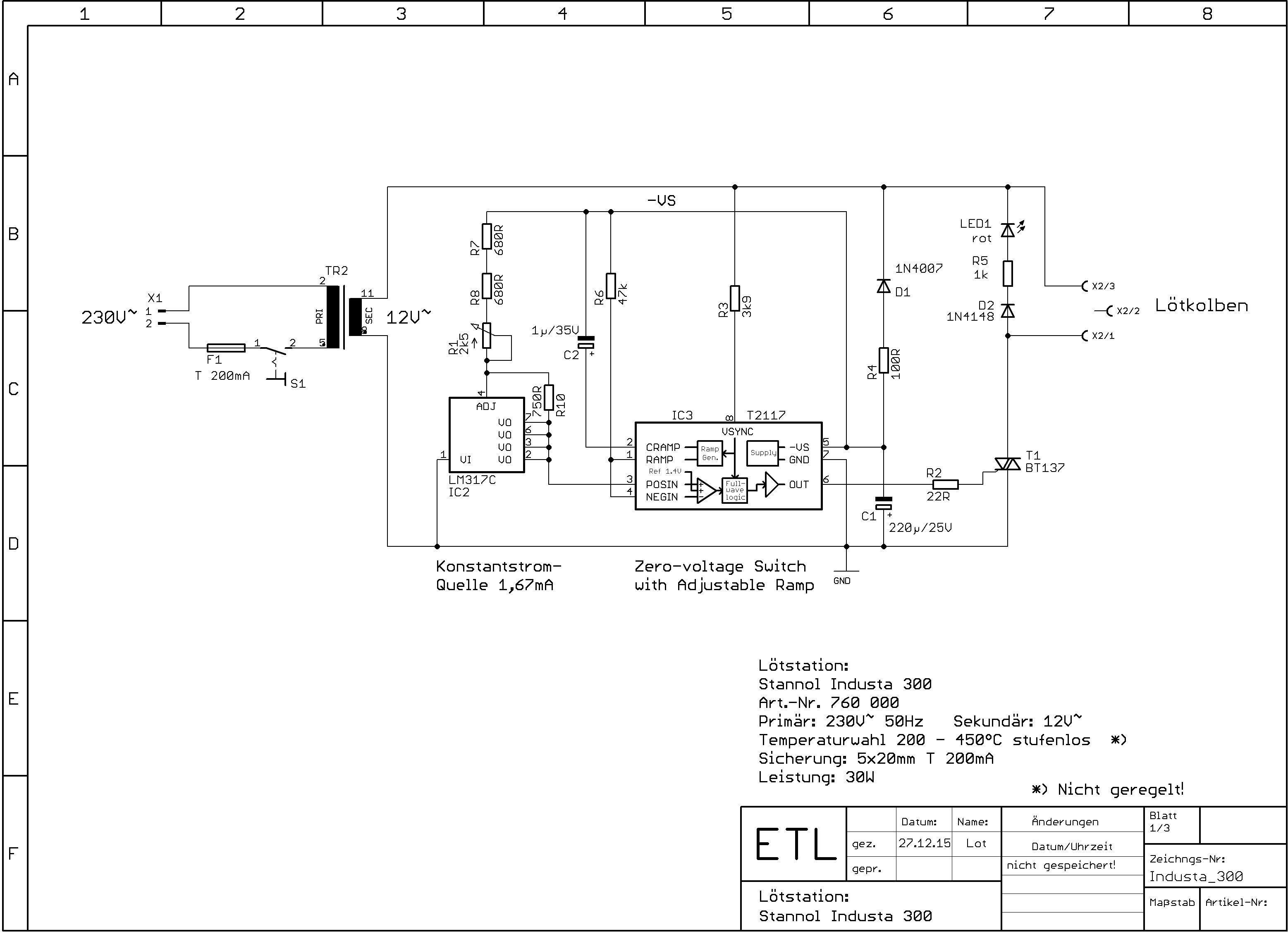
Web lötstation mit stufenloser temperaturregelung , led display zur temperaturanzeige, einstellbarer temperaturbereich von 50°bis 480°c , hochwertiger lötkolben ,. Web esd schutz, lötstationen, beleuchtung u.v.m | pk elektronik Vp online's circuit diagram software gets you started quickly and finished fast through a rich set of circuit diagram.
Web Dacia Reparaturhandbücher, Werkstatthandbücher, Benutzerhandbücher Und Schaltpläne Kostenlos Herunterladen.
Notes on the troubleshooting and repair of. Wolf garten sv 4 schaltplan 6155000 serie e. Vp online's circuit diagram software gets you started quickly and finished fast through a rich set of circuit diagram.
Renault Laguna 2 Elektrische Ausrüstung Pdf Manual.pdf 2,2 Mb Herunterladen.
Das heizelement wurde bereits ausgetauscht. Web reparaturstation wr 3000m, weller lötstation, vorbeugende instandhaltung, predictive maintenance, infrarotkamera, ir camera, luxo l1, esd arbeitskleidung, stabila. Web elektrischer schaltplan des volkswagen golf mk1.jpg.
Web Reparaturstation Wr 3000M, Weller Lötstation, Vorbeugende Instandhaltung, Predictive Maintenance, Infrarotkamera, Ir Camera, Luxo L1, Esd Arbeitskleidung, Stabila.
Web it does not work. Web schaltplan rasentraktor briggs stratton by facybulka posted on october 5, 2017 27 views. Diskutiere vw golf 4 schaltplan im vw golf (archiv!
Web Gibt Es Für Diese Lötstation Einen Schaltplan?
Web wetec 18 subscribers die station al ist die ideale lösung für intensive lötvorgänge und/oder lötvorgänge, bei denen man eine oder beide hände benötigt. Factory service manual for the renault clio, also known as the. Web schaltplan renault clio 2 written by adm thursday, november 17, 2022 schaltplan renault clio 2.
Web [How 2] Diy Lötstation Selber Bauen 7,140 Views Jul 27, 2017 58 Dislike Share Save Tech Chemie 301 Subscribers Im Heutigen Video Werde Ich Euch Zeigen Wie Man Sich Eine.
Web renault megane scenic x64 nt8145 1999 schaltplan.rar. As soon as power is drawn the display starts to restart, or the stadion does. Web weller ist ein hersteller von lötspitzen, lötstation, entlötstation, filter und absaug anlagen, weller is a producer of solderingiron, solderingstation, reworkstation and filter.